Запчасти для Ariston ALTEAS X 32 FF
Запчасти для Ariston ALTEAS X 32 FF
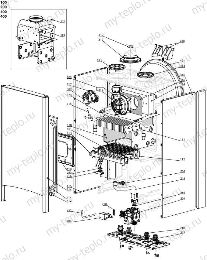
Схема №1: Горелка, Газовая часть, Дымоудаление и воздухоподача, Корпус
Схема №2: Группа подачи
|
Номер |
Название элемента |
Артикул |
Тип |
Примечание |
|
501 |
Группа подачи |
65115933 |
Для моделей выпуска до 05/18 | |
|
Группа подачи |
65117952 |
Для моделей выпуска после 06/18 | ||
|
502 |
Датчик температуры + клипса |
990686-01 |
||
|
503 |
Клапан предохранительный (3 бар) |
61312668 |
||
|
507 |
Теплообменник ГВС (16 пластин) |
65104333 |
||
|
514 |
Байпас |
65114917 |
||
|
515 |
Уплотнение |
60000808 |
||
|
521 |
Основание гидравлической группы |
65115797 |
||
|
550 |
Патрубок предохранительного клапана |
60001955 |
||
|
551 |
Трубка подачи теплоносителя |
65115764 |
NOTE 1 | |
|
Трубка подачи теплоносителя |
65119646 | NOTE 2 | ||
|
560 |
Клипса D:10 |
65114933 |
||
|
561 |
Клипса |
61307589 |
||
|
562 |
Клипса D:18 |
65104259 |
||
|
563 |
Клипса D:12 |
65114932 |
||
|
581 |
О-кольцо 17.96X2.62 |
65104337 |
||
|
582 |
О-кольцо 17.86x2.62 |
61308091 |
||
|
585 |
О-кольцо 17.04x3.53 |
65104262 |
||
|
588 |
Прокладка теплообменника |
65114928 |
||
|
590 |
О-кольцо 11.91x2.62 |
65114940 |
Схема №3: Группа возврата
|
Номер |
Название элемента |
Артикул |
Тип |
Примечание |
|
601 |
Группа возврата |
65116540 |
Для моделей выпуска до 05/18 | |
|
Группа возврата |
65117953 |
Для моделей выпуска после 06/18 | ||
|
602 |
Реле давления |
65115793 |
||
|
603 |
Датчик температуры + клипса |
990686-01 |
||
|
604 |
Насос 5M pwm ener+ |
60001947-02 |
||
|
605 |
Мотор 3-х ходового клапана |
65114936 |
||
|
606 |
Датчик протока (геркон) |
65114921-01 |
||
|
607 |
Датчик протока (поплавок) |
65114919 |
||
|
610 |
3-х ходовой клапан в сборе |
65114924 |
||
|
612 |
Заглушка |
65114920 |
||
|
613 |
Клипса D:10 |
65104260 |
||
|
614 |
Автомат. воздухоотводчик taco ener+ |
65112086 |
||
|
615 |
Кран для слива |
65114922 |
||
|
616 |
Фильтр водяной |
65114923 |
||
|
617 |
Уплотнение |
60000807 |
||
|
620 |
Кран подпитки (комплект) |
65119771 |
||
|
622 |
Байпас |
65114917 |
||
|
623 |
Обратный клапан и фильтр подпитки |
65114918 |
||
|
650 |
Трубка расширительного бака |
65115068 |
||
|
651 |
Трубка возврата теплоносителя |
65119647 |
NOTE 2 | |
|
Трубка возврата теплоносителя |
65115767 | NOTE 1 | ||
|
653 |
Патрубок байпаса |
65116210 |
Для моделей выпуска до 05/18 | |
|
660 |
Клипса d:10 |
65114933 |
||
|
662 |
Клипса d:10 |
61307589 |
||
|
664 |
Клипса |
65104322 |
||
|
665 |
Клипса d:12 |
65114932 |
||
|
666 |
Клипса |
60000309 |
||
|
667 |
Клипса |
65100680 |
||
|
668 |
Клипса |
65114927 |
||
|
671 |
Клипса |
65114926 |
||
|
672 |
Клипса |
65114931 |
||
|
680 |
Прокладка 3/8" |
573521 |
||
|
681 |
О-кольцо 9.9x2.62 |
65114937 |
||
|
682 |
О-кольцо 17.04x3.53 |
65104262 |
||
|
683 |
О-кольцо 23.47x2.62 |
65114939 |
||
|
687 |
О-кольцо 5.7x1.9 |
61009834-10 |
||
|
688 |
О-кольцо 21.89x2.62 |
65104320 |
||
|
690 |
О-кольцо 8.9x2.7 |
61009834-14 |
||
|
691 |
О-кольцо 17.86x2.62 |
61308091 |
||
|
692 |
О-кольцо 11.91x2.62 |
65114940 |
||
|
693 |
О-кольцо 15.88x2.62 |
65114941 |
||
|
694 |
О-кольцо 17.13x2.62 |
65114938 |
Схема №4: Электрическая часть, Монтажные аксессуары, Аксессуары



























































































































